電腦有梭多針絎縫機
[ B 系列 ]
HY-94-2B,HY-118-2B,HY-128-2B
HY-94-3B,HY-118-3B,HY-128-3B
電腦有梭多針絎縫機
家紡 | 服裝 | 床上用品 | 軟體家居 優選
用途:適用于絎縫高級床上用品、服裝加工、手袋、手套、睡袋、被罩、座套、面料、居家裝飾等各種各樣花紋.
備注:訂購時需要說明選用 10# 或 7# 梭子。
1】針排和壓板采用無針柱和凸輪的雙擺臂運動機構,精度高,耐用,并有效避免潤滑油弄臟布料。
2】優化機械結構,實現加強型的高剛度機身與結構,從而使機器運轉速度更快,更穩定。
3】料架分離結構,有效減少鞍架的負載。
4】采用結構的壓板高低調節,更簡便。
5】多次跨步絎縫(涵蓋360°、180°絎縫圖案)。
6】先進實用的面線斷線檢測技術
7】自動提針及數控調速。
8】新一代的電腦控制系統,先進的機械結構,絎縫精度高,絎縫過程中無需過多的參數調整或修改圖案。
9】CAD的繪圖方法,圖形精確,方便快捷。
10】強大的花模組合功能,在長達3.2米的布料里可以絎縫出每行各不相同的圖案
11】可絎縫簡單的繡花圖案。
12】運轉狀態監測及提示,機器的運行情況一目了然。
參數 [單位:mm] | HY-94-2B | HY-112-2B | HY-128-2B | HY-94-3B | HY-112-3B | HY-128-3B |
主機尺寸(LWH) Size(LWH) | 4650 L 1320 W 1800 H | 5180 1320 1830 | 5550 1320 1830 | 4650 1320 1800 | 5180 1320 1830 | 5550 1320 1830 |
針排數 Quantity of needle bar | 2 | 2 | 2 | 3 | 3 | 3 |
絎縫寬度 Quilting width | 2400 | 2840 | 3250 | 2400 | 2840 | 3250 |
針排距 Space between needle rows | 76.2 | 76.2 | 76.2 | 76.2 | 76.2 | 76.2 |
針距 Space between needles | 25.4 | 25.4 | 25.4 | 25.4 | 25.4 | 25.4 |
X行程 X-axis movement displacement | 304.8 | 304.8 | 304.8 | 304.8 | 304.8 | 304.8 |
絎縫厚度 Thickness of quilting | ≤25 | ≤25 | ≤25 | ≤25 | ≤25 | ≤25 |
步長 Stitch length | 2~5 | 2~5 | 2~5 | 2~5 | 2~5 | 2~5 |
生產速度(米/小時) Speed of production ( m/h ) | 20~120 | 20~120 | 20~120 | 20~120 | 20~120 | 20~120 |
車針型號 Model of needle | 16#\19# | 16#\19# | 16#\19# | 16#\19# | 16#\19# | 16#\19# |
主軸轉速 Total power required | 550~750 | 500~750 | 450~650 | 550~750 | 500~750 | 450~650 |
功率 Speed of main shaft ( RPM ) | 5KW | 6KW | 6KW | 5KW | 6KW | 6KW |
電壓 Voltage | 380V/50HZ 220V/60HZ | 380V/50HZ 220V/60HZ | 380V/50HZ 220V/60HZ | 380V/50HZ 220V/60HZ | 380V/50HZ 220V/60HZ | 380V/50HZ 220V/60HZ |
全機重量 Gross weight | 4200KG | 4500KG | 5000KG | 4200KG | 4500KG | 5000KG |
產品主機
Leading Brand
B 系列


NO.4
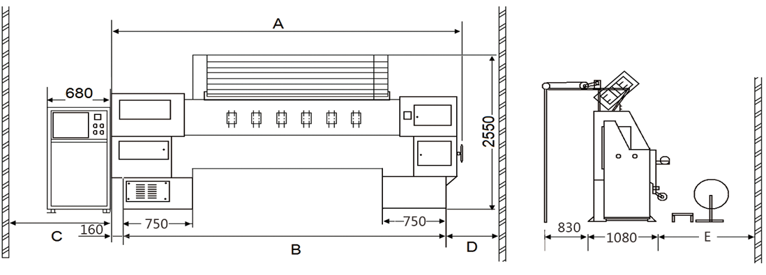
注:右機腳位至墻壁尺寸>1200為通道尺寸,若大修機器墻壁要留抽軸用的孔(單位 Unit:mm)
| 機型 | HY-94-2B HY-94-3B | HY-112-2B HY-112-3B | HY-128-2B HY-128-3B |
A | 4650 | 5100 | 5550 |
| B | 4250 | 4775 | 5150 |
| C | >1600 | >1600 | >1600 |
| D | >1300 | >1300 | >1300 |
| E | >2000 | >2000 | >2000 |

絎縫效果
Quilted Effect
用途:【家紡 / 服裝 / 床上用品 / 軟體家居 優選】適用于絎縫高級床上用品、服裝加工、手袋、手套、睡袋、被罩、座套、面料、居家裝飾等各種各樣花紋.







組合方案
Combination scheme
絎縫機 | 四邊縫裁機 | 裁剪機 | 疊料機 | 卷布裝置 ,可根據客戶公司的需求推薦最合適您的絎縫組合方案!
HY-94-3B/2B 有梭絎縫機
HY-QG-1 裁剪機

